新闻
新闻

公司要闻


膜疏散手艺助力绿色工厂!

点击量:5482揭晓时间:2021-09-07 08:56:05



      地理位置

2_副本.png

   

     欧励友工程炭(青岛)有限公司,,,,,位于青岛胶州市福州北路,,,,,系天下著名炭黑制造企业、特种炭黑领域全球最大的供应商欧励隆(ORION)集团在华全资子公司。。。。。接纳德国先进装备及工艺手艺生产炭黑,,,,,产品处于国际领先职位。。。。。


01 新建RO膜反渗透系统项目


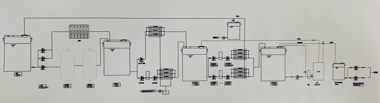
     欧励友工程炭(青岛)有限公司原接纳古板阴阳床处置惩罚工艺,,,,,外地自来水盐含量及碱度高,,,,,阴阳树脂酸碱消耗大,,,,,再生用水量大,,,,,产水水质稳固性略差。。。。。为包管生产工艺用水要求,,,,,接纳RO膜处置惩罚工艺并增添浓水回用单位替换古板树脂工艺。。。。。


      反渗透亦称逆渗透(RO),,,,,是用一定的压力使溶液中的溶剂通过反渗透膜(或称半透膜)疏散出来。。。。。由于它和自然渗透的偏向相反,,,,,故澄锎渗透。。。。。凭证种种物料的差别渗透压,,,,,就可以使大于渗透压的反渗透法抵达疏散、提取、纯化和浓缩的目的。。。。。


56888d7dfc94ea310a02ad9055c4db9.png

5f6493084d7054f810cc5a41a313464.png

      美狮贵宾会官网环保在建设历程中对新建的RO膜系统和浓水接纳RO膜系统 ? ???? ?榛杓疲,,,,占地。。。。。,,,,自动化控制水平高,,,,,实现无人值守,,,,,大大镌汰了原阴阳床酸碱消耗量大,,,,,运行管理重大的状态。。。。。且产水水质稳固,,,,,总水接纳率抵达80%以上,,,,,一样平常运行本钱不到原系统的50%。。。。。


1_副本.jpg


3_副本_副本.jpg


副本_副本.jpg


 欧励友工程炭(青岛)有限公司

 新建RO膜系统项目手艺要求

       新建二级RO膜产水系统产水能力为1000m3/d;;;;; ;;;RO膜系统总收率≥80%,,,,,脱盐率≥99.5%;;;;; ;;;产水电导率≦5us/cm;;;;; ;;;


      项目周期从2020410日至2020610日,,,,,美狮贵宾会官网环保完成新建RO系统的供货、装置、调试及培训等事情,,,,,抵达条约及手艺协议要求,,,,,并在同年9月交付业主验收使用。。。。。


02 新建EDI电脱盐系统项目


      2020年11月,,,,,欧励友工程炭(青岛)有限公司12MW汽轮机组使用生产尾气的余热发电并网发电项目上马,,,,,余热发电并网发电项目不增添任何的燃料消耗,,,,,是完全的绿色能源,,,,,相当于每年镌汰煤炭的消耗量1.5万吨,,,,,镌汰温室气体的排放近4万吨。。。。。大大提升了发电和能源接纳效率以及清静运行水平,,,,,每年预计可多接纳能源7500万千瓦时。。。。。美狮贵宾会官网公司对山东欧励友余热接纳机发电项目配套化水设施举行改建提升,,,,,在1000m3/d二级RO膜纯水系统基础上新增了EDI电脱盐装置,,,,,替换原有混床系统,,,,,为电厂提供稳固且优质锅炉补给水,,,,,提升企业“清洁生产、绿色环保”的先进理念。。。。。设计产水量50m3/h,,,,,产水电导率≤0.2μS/cm,,,,,装备建成后大大节约了混床再生时的酸碱药剂量,,,,,且不保存停唬;;; ;;;偕,,,,实现一连电脱盐,,,,,并在系统自动化预留DCS系统接口,,,,,提升管理水平。。。。。


EDI水处置惩罚流程图 ↓

1630980263(1).jpg


EDI单组 ? ???? ?椴问 

5_副本.jpg



      EDI(Electrodeionization,,,,,一连电扫除盐手艺),,,,,是一种将离子交流手艺、离子交流膜手艺和离子电迁徙手艺相团结的纯水制造手艺。。。。。它巧妙的将电渗析和离子交流手艺相团结,,,,,使用两头电极高压使水中带电离子移动,,,,,并配合离子交流树脂及选择性树脂膜以加速离子移动去除,,,,,从而抵达水纯化的目的。。。。。


6_副本.png


      EDI ? ???? ?槌导湓ぶ疲,,,,现场就位后迅速投入运行。。。。。EDI整体集成装置,,,,,包括10个EDI膜堆、牢靠支架以及进水,,,,,淡水、浓水、CIP洗濯管路,,,,,安排紧凑雅观,,,,,便于操作。。。。。

9_副本.jpg

EDI三维设计及装备实景图 


      项目周期从2021年2月18日至2021年4月30日,,,,,美狮贵宾会官网环保完成欧励友项目供货成套EDI装备及调试、培训等事情,,,,,并在今年6月交付验收。。。。。


8_副本.jpg

      

      “立异、相助、推行、共赢”!美狮贵宾会官网将全球立异水处置惩罚手艺与客户绿色生产需求有用团结,,,,,为绿色工厂保驾护航。。。。。




上海美狮贵宾会官网环??????萍加邢薰
上海美狮贵宾会官网环??????萍加邢薰

 微信公众号

联系美狮贵宾会官网

CONTACT US

 

联系电话:021-22819910

联系传真:021-22819636

公司地点:上海市松江民强路1525号66栋

上海美狮贵宾会官网环 ? ???? ?萍加邢薰 版权所有          备案号: 沪ICP备05045558号-1  

【网站地图】【sitemap】